透明质酸钠|“产品不透皮吸收”的功效实验
2022-08-25
透明质酸钠|“产品不透皮吸收”的功效实验
5月国家药监局发布公开征求《关于医用透明质酸钠产品管理类别的公告》(修订草案征求意见稿)(下称“意见稿”)对透明质酸钠产品品质提出了更高的要求。医用透明质酸钠监管级别的提高,促使品牌方从原料质量到产品工艺,每一个环节都要做到“极致”。
“产品不透皮吸收”实验
众山生物针对此次《意见稿》中“作为医用敷料应用时,不被人体吸收或用于非慢性创面医用敷料按Ⅱ类医疗器械管理”的这一要求,启动了“产品不透皮吸收”的功效实验。
本次实验基于 Franz 扩散池分析透明质酸不渗透性。采用定量的方法进行渗透性的研究,以离体猪皮为研究模型,采用 HPLC 方法检测接收液中透明质酸含量来计算累积渗透量、渗透速率、扩散百分比,以此来分析透明质酸的渗透能力。

累积渗透量结果
注:图表Q为24h时间点皮肤累积渗透量(mg),SD为标准偏差。

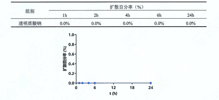
扩散百分率结果与不同时间扩散百分率结果
实验结论:
(1)经过24h表面暴露,扣除空白组,样品透明质酸钠在皮下未检出,累积渗透量为0mg。
(2)样品透明质酸钠的回收率为90.203%。
此项实验证明了众山生物透明质酸钠的不透皮吸收性,因此可以作为医用辅料用于Ⅱ类医疗器械。
众山han生物力求进一步拓宽产品应用范围,同时也为后续产品合规化审批提供充足的实验数据支持。在完善产品矩阵、提高自身竞争力的同时,也顺应了医美市场产品不断细分化专门化的趋势。